首页
产品中心YL正压过滤器系列
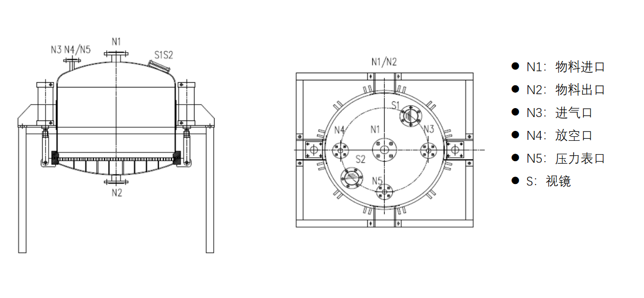
产品参数
产品特点
气缸辅助开盖设计,减轻人力
可实现多种过滤方式,抽滤、压滤均可
清洗卫生级设计,无死角
最高设计压力可达1.0MPa
设备材质可选不锈钢304、316L、碳钢等材质
多种过滤介质选择,耗材经济突出
应用行业
生物医药
食品、饮料
化工、石油
油漆、油墨、树脂和涂料
市政用水处理
工业水处理
纸浆与纸张
技术规格
| 产品型号 | 过滤面积(m²) | 滤袋规格(mm) | 滤袋容积(L) | 最高流速(m³/h) |
| DNYL-400 | 0.13m² | Φ400 X 600 | 25L | 20m³/h |
| DNYL-500 | 0.2m² | Φ500 X 800 | 70L | 40m³/h |
| DNYL-600 | 0.29m² | Φ600 X 900 | 100L | 8m³/h |
| DNYL-800 | 0.5m² | Φ800 X 1100 | 150L | 10m³/h |
注:实际参数根据实际情况而定
外形尺寸

注:实际图纸根据实际情况而定
选型表
相关产品
